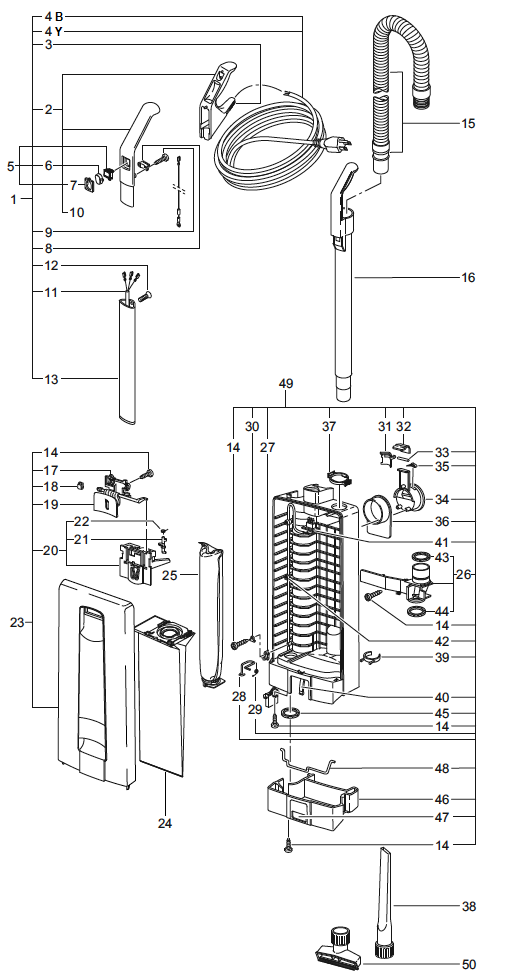
Instruction
Click the POS number on the diagram or list to find out the part name and details.
CALL US IF YOU DO NOT SEE YOUR PARTS
OR TO BUY A NEW VACUUM WITH SPECIAL PRICING.
Note: The colors for some parts have been changed by the manufacture and therefore are no longer available. This does not affect the integrity of the parts.
.
Instruction
Click the POS number on the diagram or list to find out the part name and details.
CALL US IF YOU DO NOT SEE YOUR PARTS.